škoda 120 nosniky
- [19.11. 2025]Zmazať/ Upraviť/ Topovať








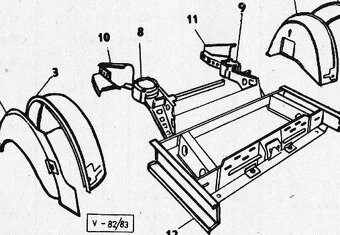
predam na škoda 105/120 nosník zadného vnútorného podblatníka vyrobeny z 1mm plechu
Ostatne diely pozri na berec.sk da sa poslať kurierom
Ostatne diely pozri na berec.sk da sa poslať kurierom
|
| |||||||||||||||||||||||||||||||
Kontaktovať inzerenta e-mailom
Kontaktovať e-mailom môže iba overený užívateľ.
Overenie je zadarmo.
Vaše telefónne číslo *
Kontaktovať e-mailom môže iba overený užívateľ.
Overenie je zadarmo.
Vaše telefónne číslo *